App temperatur bundet liste

Materialeee Middels temperatur℃ Materialeee Middels temperatur℃
PVC-C -20℃~95℃ PVC-U -5℃~45℃
FRPP -20℃~120℃ PPH -20℃~110℃
PVDF 40℃~150℃

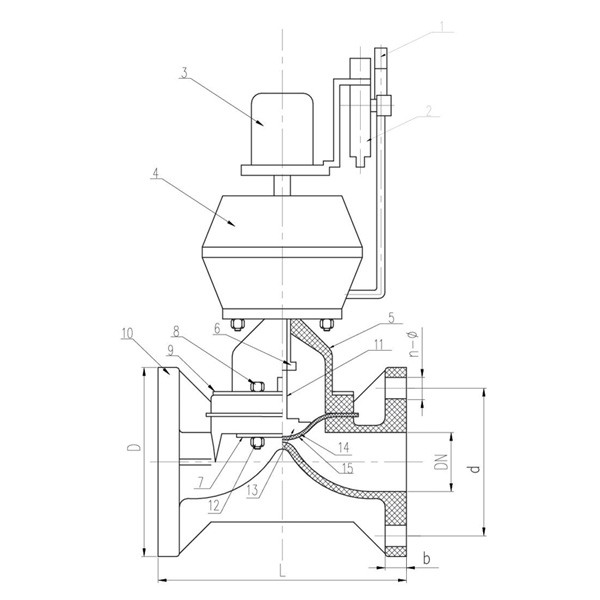
Produktets strukturelle egenskaper

1. Tetningsmembranen er laget av F46 eller PFA, med en foldeholdbarhet på ≥ 120 000 ganger og korrosjonsbestandighet sammenlignbar med F4.
2. Løftemekanismen av skruetypen gir lavt åpnings- og lukkemoment og utmerket stabilitet.
3. Aktuatoren kan fjernstyres via en datamaskin eller et kontrollsenter, og kontrollerer strømmen og strømmen av mediet ved å åpne og lukke ventilen. Dette gir større bekvemmelighet og hastighet, reduserer arbeidskostnadene og sikrer sikkerheten til arbeidere på stedet.

Del Material Tabell

Nei. Navn Materialeee Antall.
1 Magnetventil 1
2 Trykkmåler 1
3 Signaltilbakemeldingsenhet 1
4 Pneumatisk aktuator Aluminiumslegering 1
5 Panser PPH, PVC-C, PVC-U, PVDF, FRPP 1
6 Åk mutter SS stål, Stål 1
7 Plate Q345, SS stål 2
8 Skru Stål,StainlessSteel 4
9 Plate Q345, SS stål 2
10 Kropp PPH, PVC-C, PVC-U, PVDF, FRPP 1
11 Stem Stål,StainlessSteel 1
12 Mutterhette Stål,StainlessSteel 4
13 Ventilplate PPH,PVC-C,PVC-U
FRPP,PVDF/Støpejern
1
14 Flim EPDM, FPM 1
15 Diafragma F46.PFA.PTFE 1
Dimensjonsliste

D d L b n-Φ
15 95 65 125 14 4-Φ14
20 105 75 135 18 4-Φ14
25 115 85 145 18 4-Φ14
32 135 100 160 18 4-Φ18
40 145 110 180 20 4-Φ18
50 160 125 210 22 4-Φ18
65 180 145 250 24 4-Φ18
80 195 160 300 24 8-Φ18
100 225 180 350 28 8-Φ18
125 245 210 400 30 8-Φ18
150 280 240 455 30 8-Φ23x27
200 335 295 570 40 8-Φ22
250 390 350 680 38 12-Φ23
300 445 400 680 38 12- Φ 23
Tilbakemelding på melding
Om oss
Kaixin Pipeline Technologies Co., Ltd.
Grunnlagt i 1999, Kaixin Pipeline Technologies Co., Ltd. er en høyteknologisk bedrift som integrerer FoU, produksjon, salg og service. Selskapet har flere prestisjetunge sertifiseringer, inkludert National High-Tech Enterprise, "Little Giant" Specialized and Sophisticated SME, National Single Product Champion (Cultivation), Provincial Technology-based SME, Ningbo Specialized and Sophisticated SME, Ningbo Single Product Champion (Cultivation), Ningbo PolymerD Center for Green Pipe & Factory Technology, N-Leveling Technology, N-Leveling Technology. Innovasjon Enterprise og Enterprise Data Management Capability Modenhetsnivå 2.
Vi er spesialister på å utvikle, produsere og levere ikke-metalliske korrosjonsbestandige produkter for kjemiske applikasjoner, inkludert plastventiler, rør, rørdeler og korrosjonsbestandige pumper. Vår produktportefølje spenner over materialer som PVC-C, PVC-U, PVDF, PPH og FRPP, med et omfattende utvalg av typer og spesifikasjoner. Spesielt kan våre spjeldventiler nå DN1000 i diameter, mens rør og fittings strekker seg opp til DN800, og adresserer markedshull og opprettholder vårt konkurransefortrinn i bransjen.
Veiledet av prinsippet om "teknologidrevet, holde tritt med tiden", tildeler Kaixin nesten 10 millioner RMB årlig til FoU. Vi sikrer overlegen produktkvalitet gjennom standardisert automatisert produksjon og streng innkjøp av importerte råvarer. I tråd med vår internasjonale utviklingsstrategi overvåker vi kontinuerlig globale markedstrender og utnytter digitale kanaler for å bringe høykvalitets "Made in China"-produkter til kunder over hele verden.
Ningbo • Fenghua FoU og produksjonsbase
Med en total investering på RMB 200 millioner har Kaixin Ultra-Pure Pipe Technology (Ningbo) Co., Ltd. etablert et nytt materiallaboratorium i samarbeid med universiteter og forskningsinstitutter, bygget en moderne produksjonsbase og installert 8 helautomatiserte produksjonslinjer for modifisert plast og 8 for polymermaterialer. Anlegget er dedikert til FoU, produksjon og bruk av nye modifiserte plast- og polymermaterialer. Kaixin er også forpliktet til å tiltrekke topptalent på tvers av disipliner, kontinuerlig drive produktinnovasjon og merkevareutvikling, med målet om å bli en globalt anerkjent leder innen FoU og produksjon av polymerventiler, rør og fittings.
Hedersbevis
  • honor
  • honor
  • honor
  • honor
  • honor
  • honor
  • honor
  • honor
  • honor
Nyheter