PVC-C Reducer DN15*20-600*500 1/2*3/4"-24*20" ANSI Standard

PVC-C PVC rørfittings DN1520-600500 Industrielt plastreduksjonstilbehør, for kjemisk og vannforsyning ANSI SCH80 Standard
Opprinnelse: Kina
Merkenavn: KXPV
Prosess: Smidd
Tilkobling: Stikkontakt
Materiale: PVC-C
Farge: Lys grå
Form: lik
Hodekode: Rund
Størrelse: DN15*20-600*500
Bruksområde: Industri
Emballasje: Kartong
Arbeidstrykk: 1,6 MPa
Leveringstid: 7 dager
Minimum bestillingsantall: 1 stk.

App temperatur bundet liste
Materialee Middels temperatur℃ Materialee Middels temperatur℃
PVC-C -20℃~95℃ PVC-U -5℃~45℃
FRPP -20℃~120℃ PPH -20℃~110℃
PVDF 40℃~150℃

Produktets strukturelle egenskaper

1. Utmerket kjemisk motstand: Temperaturområdet er bredt fra -20 ℃ til 95 ℃. Ioneinnholdet i mediet oppfyller standarder for ultrarent vann. Hygieneytelse er i samsvar med nasjonale sanitærstandarder.
2. Enestående styrke, seighet og kjemisk korrosjonsbestandighet: Materialet gir overlegen styrke og motstand mot kjemisk korrosjon.
3. Holdbarhet: Eksepsjonell aldringsmotstand og UV-motstand forlenger levetiden betydelig sammenlignet med andre rørsystemer.
4.Lav termisk ledningsevne: Termisk ledningsevne er omtrent 1/200 av stål; flammehemmende egenskaper er selvslukkende.
5.Lett: Veier bare omtrent 1/5 av stålrør og 1/6 av kobberrør.
6. Lav motstand, høy strømningshastighet: Den glatte og rene rørveggen resulterer i minimal friksjonsmotstand og vedheft ved transport av væsker.
7. Enkel installasjon, lav kostnad: Kan kobles til ved hjelp av liming, gjenging og enklest med lim, og tilbyr en kostnadseffektiv og brukervennlig løsning.

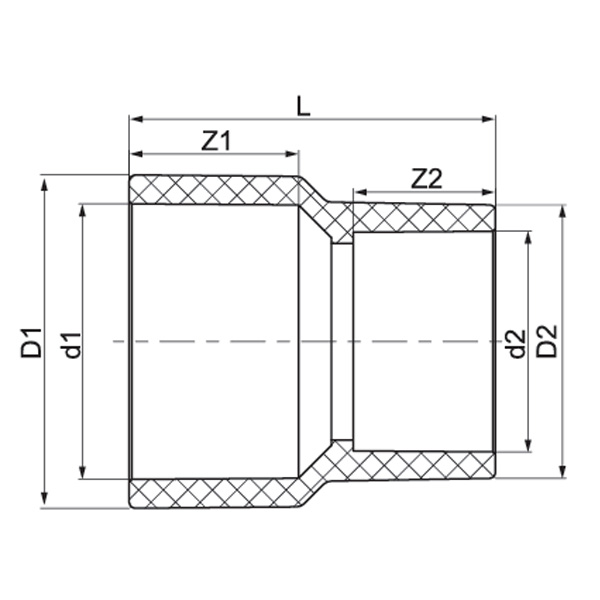
Dimensjonsliste

Spesifikasjon D1
(mm)
D2
(mm)
d1
(mm)
d2
(mm)
L
(mm)
Z1
(mm)
Z2
(mm)
2″*1″(50*25) 74 45 60.32 33.4 87 38.5 29
2″*1¼″(50*32) 74 54.5 60.32 42.16 86 38.5 32
2″*1½″(50*40) 74 61 60.32 48.26 86 38.5 35
2½″*1¼″(65*32) 90 54.5 73.02 42.16 98.5 45 32
2½″*1½″(65*40) 90 61 73.02 48.26 98.5 45 35
2½″*2″(65*50) 90 74 73.02 60.32 97 45 38.5
3″*1½″ (80*40) 107 61 88.9 48.26 109.5 48 35
3″*2″ (80*50) 107 74 88.9 60.32 107.5 48 38.5
3″*2½″ (80*65) 107 90 88.9 73.02 109 48 45
4″*2″(100*50) 134 74 114.3 60.32 129.5 57.5 38.5
4″*2½″(100*65) 134 90 114.3 73.02 131 57.5 45
4″*3″(100*80) 134 107 114.3 88.9 127 57.5 48
5″*2½″(125*65) 163 90 141.3 73.02 154.5 67 45
5″*3″(125*80) 163 107 141.3 88.9 150 67 48
5″*4″(125*100) 163 134 141.3 114.3 146.5 67 57.5
6″*3″(150*80) 192 107 168.28 88.9 173 76.5 48
6″*4″(150*100) 192 134 168.28 114.3 170 76.5 57.5
6″*5″(150*125) 192 163 168.28 141.3 167 76.5 67
8″*4″(200*100) 247 134 219.08 114.3 221 102 57.5
8″*5″(200*125) 247 163 219.08 141.3 218 102 67
8″*6″(200*150) 247 192 219.08 168.28 215 102 76.5
Tilbakemelding på melding
Om oss
Kaixin Pipeline Technologies Co., Ltd.
Grunnlagt i 1999, Kaixin Pipeline Technologies Co., Ltd. er en høyteknologisk bedrift som integrerer FoU, produksjon, salg og service. Selskapet har flere prestisjetunge sertifiseringer, inkludert National High-Tech Enterprise, "Little Giant" Specialized and Sophisticated SME, National Single Product Champion (Cultivation), Provincial Technology-based SME, Ningbo Specialized and Sophisticated SME, Ningbo Single Product Champion (Cultivation), Ningbo PolymerD Center for Green Pipe & Factory Technology, N-Leveling Technology, N-Leveling Technology. Innovasjon Enterprise og Enterprise Data Management Capability Modenhetsnivå 2.
Vi er spesialister på å utvikle, produsere og levere ikke-metalliske korrosjonsbestandige produkter for kjemiske applikasjoner, inkludert plastventiler, rør, rørdeler og korrosjonsbestandige pumper. Vår produktportefølje spenner over materialer som PVC-C, PVC-U, PVDF, PPH og FRPP, med et omfattende utvalg av typer og spesifikasjoner. Spesielt kan våre spjeldventiler nå DN1000 i diameter, mens rør og fittings strekker seg opp til DN800, og adresserer markedshull og opprettholder vårt konkurransefortrinn i bransjen.
Veiledet av prinsippet om "teknologidrevet, holde tritt med tiden", tildeler Kaixin nesten 10 millioner RMB årlig til FoU. Vi sikrer overlegen produktkvalitet gjennom standardisert automatisert produksjon og streng innkjøp av importerte råvarer. I tråd med vår internasjonale utviklingsstrategi overvåker vi kontinuerlig globale markedstrender og utnytter digitale kanaler for å bringe høykvalitets "Made in China"-produkter til kunder over hele verden.
Ningbo • Fenghua FoU og produksjonsbase
Med en total investering på RMB 200 millioner har Kaixin Ultra-Pure Pipe Technology (Ningbo) Co., Ltd. etablert et nytt materiallaboratorium i samarbeid med universiteter og forskningsinstitutter, bygget en moderne produksjonsbase og installert 8 helautomatiserte produksjonslinjer for modifisert plast og 8 for polymermaterialer. Anlegget er dedikert til FoU, produksjon og bruk av nye modifiserte plast- og polymermaterialer. Kaixin er også forpliktet til å tiltrekke topptalent på tvers av disipliner, kontinuerlig drive produktinnovasjon og merkevareutvikling, med målet om å bli en globalt anerkjent leder innen FoU og produksjon av polymerventiler, rør og fittings.
Hedersbevis
  • honor
  • honor
  • honor
  • honor
  • honor
  • honor
  • honor
  • honor
  • honor
Nyheter