App temperatur bundet liste
Materialee Middels temperatur℃ Materialee Middels temperatur℃
PVC-C -20℃~95℃ PVC-U -5℃~45℃
FRPP -20℃~120℃ PPH -20℃~110℃
PVDF 40℃~150℃

Produktets strukturelle egenskaper

1. Overlegen kjemisk motstand: Bredt driftstemperaturområde -20°C til 95°C, tungt ioneinnhold i mediet oppfyller standarder for ultrarent vann, og hygieniske egenskaper oppfyller nasjonale helsestandarder.
2. Utmerket styrke, seighet og kjemisk korrosjonsbestandighet.
3. Holdbarhet: Utmerket aldring og UV-bestandighet forlenger levetiden til andre rørsystemer betydelig.
4. Lav varmeledningsevne: Omtrent 1/200 av stål; selvslukkende flammehemming.
5. Lett: Lett, tilsvarende 1/5 av stålrør og 1/6 av kobberrør.
6. Lav motstand, høy strømningshastighet: Glatt, ren røroverflate, minimerer friksjon og vedheft ved transport av væsker.
7. Enkel installasjon, lav kostnad: Selvklebende og gjengeforbindelser er tilgjengelige, med lim som det mest praktiske.

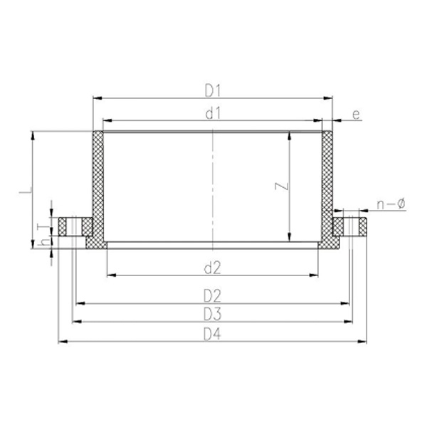
Dimensjonsliste

DN D1 D2 D3 D4 d1 d2 L T h Z n- Φ
15 27 59 70 95 20 18 22 16 1.5 16 4-Φ15X20,5
20 32 70 75 105 25 23 25 18 1.5 19 4-Φ15X17,5
25 40 79 90 125 32 29 28 18 1.5 22 4-Φ15X20,5
32 50 89 100 140 40 36 31.5 20 1.5 26 4-Φ18X24,5
4 61 98 110 150 50 4 37 20 2 31 4-Φ18X24
50 75 120 125 165 63 58 44 25 2 38 4-Φ18X20,5
65 88 140 145 185 75 69 50 25 2 44 4-Φ18X20,5
80 105 150 160 200 90 84 57 26 2.5 51 8-Φ18X23
100 127 175 190 522 9110 105 67 26 2.5 61 8- Φ 18X26
125 161 210 250 140 130 84 28 12.5 77 8-Φ19
150 182 240 285 160 150 93 31 12.5 85 8-Φ23
200 249 295 339 225 215 127 36 16 119 8-Φ23X25
200 254 295.8 341 225 215 127 33.1 16 119 12-Φ22
250 308 350 395 280 267 154 40.5 16.5 144 12-Φ23
300 346 400 445 315 305 170 43 18 160 12-Φ23
350 395 460 505 355 340 176 43 16 164.5 16-Φ23
400 442 515 570 400 382 219 43 22 200 16-Φ27
450 494 565 625 450 430 220 40 27 210 20-Φ26
500 548 620 670 500 475 210 43 25 185 20-Φ27
Tilbakemelding på melding
Om oss
Kaixin Pipeline Technologies Co., Ltd.
Grunnlagt i 1999, Kaixin Pipeline Technologies Co., Ltd. er en høyteknologisk bedrift som integrerer FoU, produksjon, salg og service. Selskapet har flere prestisjetunge sertifiseringer, inkludert National High-Tech Enterprise, "Little Giant" Specialized and Sophisticated SME, National Single Product Champion (Cultivation), Provincial Technology-based SME, Ningbo Specialized and Sophisticated SME, Ningbo Single Product Champion (Cultivation), Ningbo PolymerD Center for Green Pipe & Factory Technology, N-Leveling Technology, N-Leveling Technology. Innovasjon Enterprise og Enterprise Data Management Capability Modenhetsnivå 2.
Vi er spesialister på å utvikle, produsere og levere ikke-metalliske korrosjonsbestandige produkter for kjemiske applikasjoner, inkludert plastventiler, rør, rørdeler og korrosjonsbestandige pumper. Vår produktportefølje spenner over materialer som PVC-C, PVC-U, PVDF, PPH og FRPP, med et omfattende utvalg av typer og spesifikasjoner. Spesielt kan våre spjeldventiler nå DN1000 i diameter, mens rør og fittings strekker seg opp til DN800, og adresserer markedshull og opprettholder vårt konkurransefortrinn i bransjen.
Veiledet av prinsippet om "teknologidrevet, holde tritt med tiden", tildeler Kaixin nesten 10 millioner RMB årlig til FoU. Vi sikrer overlegen produktkvalitet gjennom standardisert automatisert produksjon og streng innkjøp av importerte råvarer. I tråd med vår internasjonale utviklingsstrategi overvåker vi kontinuerlig globale markedstrender og utnytter digitale kanaler for å bringe høykvalitets "Made in China"-produkter til kunder over hele verden.
Ningbo • Fenghua FoU og produksjonsbase
Med en total investering på RMB 200 millioner har Kaixin Ultra-Pure Pipe Technology (Ningbo) Co., Ltd. etablert et nytt materiallaboratorium i samarbeid med universiteter og forskningsinstitutter, bygget en moderne produksjonsbase og installert 8 helautomatiserte produksjonslinjer for modifisert plast og 8 for polymermaterialer. Anlegget er dedikert til FoU, produksjon og bruk av nye modifiserte plast- og polymermaterialer. Kaixin er også forpliktet til å tiltrekke topptalent på tvers av disipliner, kontinuerlig drive produktinnovasjon og merkevareutvikling, med målet om å bli en globalt anerkjent leder innen FoU og produksjon av polymerventiler, rør og fittings.
Hedersbevis
  • honor
  • honor
  • honor
  • honor
  • honor
  • honor
  • honor
  • honor
  • honor
Nyheter