PPH Hot Melt Socket Reducer DN20*15-100*80 GB Standard

Earthy Yellow  Hot Melt Socket PPH Reducers DN20*15-100*80 Custom 4 tommers industrielle plastrørkapsler for kjemikalie- og vannforsyning
Opprinnelsessted: Kina
Merkenavn: KXPV
Teknikk: Smidd
Tilkobling: stikkontakt
Materiale: PPH
Form: Like
Hodekode: Firkant
Farge: Jordgul
Størrelse: DN20*15-100*80
Bruksområde: Industri
Emballasje: Kartong
Arbeidstrykk: 1,6MPA
Leveringstid: 7 dager
MOQ: 1 stk

App temperatur bundet liste
Materialee Middels temperatur℃ Materialee Middels temperatur℃
PVC-C -20℃~95℃ PVC-U -5℃~45℃
FRPP -20℃~120℃ PPH -20℃~110℃
PVDF 40℃~150℃

Produktets strukturelle egenskaper

1. Høy krystallinitet
Laget av en enkelt polypropylenmonomer, inneholder molekylkjeden ingen etylenmonomerer; molekylkjeden er svært regelmessig og gir lang levetid.
2. Utmerket korrosjonsbestandighet
Den tåler korrosjon fra syrer og baser med høy konsentrasjon innenfor et pH-område på 1-14.
3. Varmebestandig, isolerende og energibesparende
Den kan fungere i temperaturer fra -20°C til 110°C. Dens lave varmeledningsevne gir utmerket isolasjonsytelse.
4. Pålitelig tilkobling
Smelteskjøtene er sterkere enn selve røret, og hindrer dem i å ryke på grunn av jordbevegelser eller belastninger.
5. Utmerket konstruksjonsytelse
Dette produktet er lett, har en enkel sveiseprosess, er lett å installere, og tilbyr en lav totalkostnad, egnet for komplekse prosessrør. PPH rørsystemer er mye brukt i bransjer som galvanisering, etsing, kjemikalier, farmasøytiske produkter, avløpsvannbehandling og miljøteknikk.

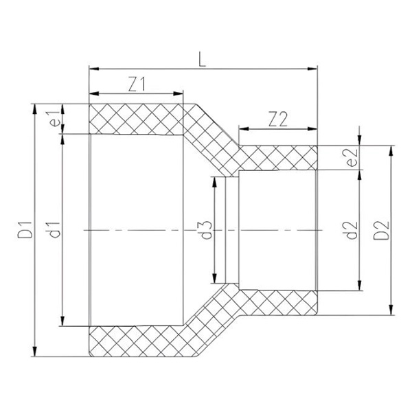
PPH Hot Melt Socket Reducer

DN D1 D2 d1 d2 d3 L Z1 Z2 e1 e2
20*15 35 29 25 20 16 40 18 15 5 4.5
25*15 43 29 32 20 16 46 20 15 5.5 4.5
25*20 43 35 32 25 20 47 20 18 5.5 5
32*20 51 35 40 25 20 53 22 18 5.5 5
32*25 51 43 40 32 27 52 22 20 5.5 5.5
40*20 64 35 50 25 20 60 24 18 7 5
40*25 64 43 50 32 27 58 24 20 7 5.5
40*32 64 51 50 40 35 56 24 22 7 5.5
50*25 82 44 63 32 27 70 28.5 20.5 9.5 6
50*32 82 52 63 40 36 68 28.5 22.5 9.5 6
50*40 82 65 63 50 46 65 28.5 24.5 9.5 7.5
65*32 94 52 75 40 36 76 31 22 9.5 6
65*40 94 65 75 50 45 73 31 24 9.5 7.5
65*50 94 82 75 63 57 71 31 28 9.5 9.5
80*40 115.5 66 90 50 45 85 35 24 13 8
80*50 115.5 82.5 90 63 56 83 35 28 13 10
80*65 116 95 90 75 68 80 35 31.5 13 10
100*40 134 64.5 110 50 45 99 41 24 12 7.5
100*50 134 81.5 110 63 56.5 97 41 28 12 9.5
100*65 134 93 110 75 67.5 95 41 31 12 9
100*80 136 116 110 90 82 93.5 41 36 13 13
Tilbakemelding på melding
Om oss
Kaixin Pipeline Technologies Co., Ltd.
Grunnlagt i 1999, Kaixin Pipeline Technologies Co., Ltd. er en høyteknologisk bedrift som integrerer FoU, produksjon, salg og service. Selskapet har flere prestisjetunge sertifiseringer, inkludert National High-Tech Enterprise, "Little Giant" Specialized and Sophisticated SME, National Single Product Champion (Cultivation), Provincial Technology-based SME, Ningbo Specialized and Sophisticated SME, Ningbo Single Product Champion (Cultivation), Ningbo PolymerD Center for Green Pipe & Factory Technology, N-Leveling Technology, N-Leveling Technology. Innovasjon Enterprise og Enterprise Data Management Capability Modenhetsnivå 2.
Vi er spesialister på å utvikle, produsere og levere ikke-metalliske korrosjonsbestandige produkter for kjemiske applikasjoner, inkludert plastventiler, rør, rørdeler og korrosjonsbestandige pumper. Vår produktportefølje spenner over materialer som PVC-C, PVC-U, PVDF, PPH og FRPP, med et omfattende utvalg av typer og spesifikasjoner. Spesielt kan våre spjeldventiler nå DN1000 i diameter, mens rør og fittings strekker seg opp til DN800, og adresserer markedshull og opprettholder vårt konkurransefortrinn i bransjen.
Veiledet av prinsippet om "teknologidrevet, holde tritt med tiden", tildeler Kaixin nesten 10 millioner RMB årlig til FoU. Vi sikrer overlegen produktkvalitet gjennom standardisert automatisert produksjon og streng innkjøp av importerte råvarer. I tråd med vår internasjonale utviklingsstrategi overvåker vi kontinuerlig globale markedstrender og utnytter digitale kanaler for å bringe høykvalitets "Made in China"-produkter til kunder over hele verden.
Ningbo • Fenghua FoU og produksjonsbase
Med en total investering på RMB 200 millioner har Kaixin Ultra-Pure Pipe Technology (Ningbo) Co., Ltd. etablert et nytt materiallaboratorium i samarbeid med universiteter og forskningsinstitutter, bygget en moderne produksjonsbase og installert 8 helautomatiserte produksjonslinjer for modifisert plast og 8 for polymermaterialer. Anlegget er dedikert til FoU, produksjon og bruk av nye modifiserte plast- og polymermaterialer. Kaixin er også forpliktet til å tiltrekke topptalent på tvers av disipliner, kontinuerlig drive produktinnovasjon og merkevareutvikling, med målet om å bli en globalt anerkjent leder innen FoU og produksjon av polymerventiler, rør og fittings.
Hedersbevis
  • honor
  • honor
  • honor
  • honor
  • honor
  • honor
  • honor
  • honor
  • honor
Nyheter