FRPP D371X-10S Worm-Gear Butterfly Ventil DN32-1000 GB Standard

FRPP snekkegir spjeldventil manuell sentertetning myk tetning DN32-1000 industri- og husholdningshåndtaksventil i plast
Kjøremodus: Manuell
Tilkoblingsform: Wafer
Struktur: Senterforsegling
Forseglingstype: Tvangsforseglet
Ventilstamme: Vanlig
Trykkklasse: 1,0Mpa(10bar)
Arbeidstemperatur: -20°C~120°C
Materiale på tetningsoverflaten: Myk forseglet
Bruksområde: Industriell bruk, vannindustriell bruk
Ventilspindel: stål, rustfritt stål
Varemerke: KXPV
Spesifikasjoner: DN32-1000
Opprinnelse: Ningbo, Zhejiang

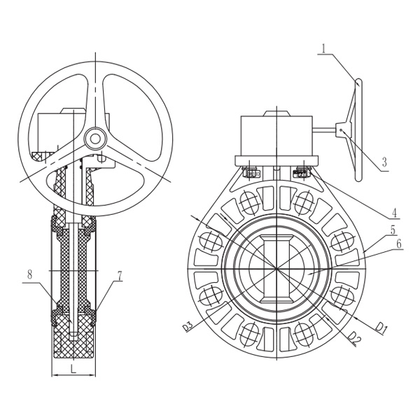
Produktets strukturelle egenskaper
1. Ventilen er liten og lett, enkel å demontere og reparere, og kan installeres i alle posisjoner.
2. Strukturen er enkel og kompakt, og driftsmomentet er lite, og 90°-rotasjonen åpnes raskt.
3. Strømningsegenskapene har en tendens til å være rett og justeringsytelsen er god.

App temperatur bundet liste

Materialeeee Middels temperatur℃ Materialeeee Middels temperatur℃
PVC-C -20℃~95℃ PVC-U -5℃~45℃
FRPP -20℃~120℃ PPH -20℃~110℃
PVDF 40℃~150℃

Delmaterialetabell

Nei.

Navn

Materialeeee

1

Hjul støpejern, aluminiumslegering

2

Snekkegir bjørn Stål

3

Data jegpate Aluminium

4

Sekskantbolt Stål, rustfritt stål

5

Snekkegirlokk støpejern, aluminiumslegering

6

Snekkeutstyr støpejern, aluminiumslegering

7

Begrensningsbolt Stål, rustfritt stål

8

Stem Stål, rustfritt stål

9

Dobbelthodet stud Stål, rustfritt stål

10

Sekskantmutter Stål, rustfritt stål

11

Tetningsgummi EPDM, FPM
12 Ventilplate FRPP,PVDF,PVC-C,PVC-U,PPH
13 Kropp FRPP,PVDF,PVC-C,PVC-U,PPH

Snekkegear Type Butterfly Ventil Montering Detaljtegning

Delmaterialetabell

NEjeg.

Navn på deler

Materialeeee

Antall.

1

Hjul støpejern

1

2

Snekkeutstyr støpejern

1

3

Pin Stål

1

4

Nøttekopp FRPP

4

5

Kropp FRPP,PVDF,PVC-C,PVC-U,PPH

1

6

Ventilplate FRPP,PVDF,PVC-C,PVC-U,PPH

1

7

Tetningsgummi EPDM, FPM

1

8

Stem Stål, rustfritt stål

1

Dimensjonsliste

DN(mm) D1 D2 D3 T n-Φ
GB JIS ANSI GB JIS ANSI
32(11/4") 140 100 100 88.9 33 35 4-Φ17 4-Φ17 4-Φ17
40(11/2") 150 110 105 98.4 41.5 39 4-Φ19X25 4-Φ19X25 4-Φ19X25
50(2") 160 125 120 120.7 50 40 4-Φ19X26,5 4-Φ19X26,5 4-Φ19X26,5
65(21/2") 180 145 140 139.7 64 42 4-Φ19X26,5 4-Φ19X26,5 4-Φ19X26,5
80(4") 200 160 150 152.4 77 42 8-Φ19X25 8-Φ19X25 4-Φ19X20
100(4") 225 180 175 190.5 96 52 8-Φ19X32 8-Φ19X32 8-Φ19X32
125(5") 255 210 210 215.9 120 61 8-Φ23X33 8-Φ23X33 8-Φ23X33
150(6") 290 240 240 241.3 145 71 8-Φ23X34 8-Φ23X34 8-923X34
200(8") 340 295 290 298.5 196.5 81 8-Φ23X33,5 12-Φ23X27 8-Φ23X33,5
250(10") 420 350 355 362 245.5 110 12-Φ23,5X32 12-Φ23,5X32 12-Φ23,5X32
300(12") 500 400 431.8 291.5 115 12-Φ28X48 12-Φ28X48
350(14") 550 460 476.3 340 127 16-Φ26 12-Φ33
400(16") 619 515 510 539.8 399 140 16-Φ36X52 16-Φ36X52 16-Φ36X52
450(18") 655 565 565 577.9 446 150 20-Φ25 20-Φ27 16-Φ33
500(20") 705 620 620 635 494 150 20-Φ26X33 20-Φ27X33 20-26X33
600(24") 816 725 749.3 570 170 20-Φ28X38 20-Φ28X38
700(28") 910 840 840 670 185 24-Φ33X44 24-Φ33X44
800(32") 1055 960 950 977.9 755 240 24-Φ44,5X65 28-Φ36X52 24-Φ44,5X65
1000(40") 1230 1160 1160 935 236 28-Φ36X52 28-Φ39


DN(mm) D1 D 2 D3 T n-Φ
GB JIS ANSI GB JIS ANS I
40(11/2") 148 110 105 98.4 41.5 39 4-Φ19X25 4-Φ19X25 4-Φ19X25
50(2") 162 125 120 120.7 50 40 4-Φ19X26,5 4-Φ19X25,6 4-Φ19X25,6
65(21/2") 180 145 140 139.7 64 42 4-Φ19X26,5 4-Φ19X25,6 4-Φ19X25,6
80(3") 198 160 150 152.4 77 42 8-Φ19X25 8-Φ19X24 4-Φ19X20
100(4") 225 180 175 190.5 96 52 8-Φ19X32 8-Φ19X32 8-Φ19X32
125(5") 255 210 210 215.9 120 61 8-Φ23X33 8-Φ23X33 8-Φ23X33
150(6") 285 240 240 241.3 145 71 8-Φ23X34 8-Φ23X34 8-Φ22X34
200(8") 340 295 290 298.5 196.5 81 8-Φ23X33,5 12-Φ23X27 8-Φ22X33,5

Tilbakemelding på melding
Om oss
Kaixin Pipeline Technologies Co., Ltd.
Grunnlagt i 1999, Kaixin Pipeline Technologies Co., Ltd. er en høyteknologisk bedrift som integrerer FoU, produksjon, salg og service. Selskapet har flere prestisjetunge sertifiseringer, inkludert National High-Tech Enterprise, "Little Giant" Specialized and Sophisticated SME, National Single Product Champion (Cultivation), Provincial Technology-based SME, Ningbo Specialized and Sophisticated SME, Ningbo Single Product Champion (Cultivation), Ningbo PolymerD Center for Green Pipe & Factory Technology, N-Leveling Technology, N-Leveling Technology. Innovasjon Enterprise og Enterprise Data Management Capability Modenhetsnivå 2.
Vi er spesialister på å utvikle, produsere og levere ikke-metalliske korrosjonsbestandige produkter for kjemiske applikasjoner, inkludert plastventiler, rør, rørdeler og korrosjonsbestandige pumper. Vår produktportefølje spenner over materialer som PVC-C, PVC-U, PVDF, PPH og FRPP, med et omfattende utvalg av typer og spesifikasjoner. Spesielt kan våre spjeldventiler nå DN1000 i diameter, mens rør og fittings strekker seg opp til DN800, og adresserer markedshull og opprettholder vårt konkurransefortrinn i bransjen.
Veiledet av prinsippet om "teknologidrevet, holde tritt med tiden", tildeler Kaixin nesten 10 millioner RMB årlig til FoU. Vi sikrer overlegen produktkvalitet gjennom standardisert automatisert produksjon og streng innkjøp av importerte råvarer. I tråd med vår internasjonale utviklingsstrategi overvåker vi kontinuerlig globale markedstrender og utnytter digitale kanaler for å bringe høykvalitets "Made in China"-produkter til kunder over hele verden.
Ningbo • Fenghua FoU og produksjonsbase
Med en total investering på RMB 200 millioner har Kaixin Ultra-Pure Pipe Technology (Ningbo) Co., Ltd. etablert et nytt materiallaboratorium i samarbeid med universiteter og forskningsinstitutter, bygget en moderne produksjonsbase og installert 8 helautomatiserte produksjonslinjer for modifisert plast og 8 for polymermaterialer. Anlegget er dedikert til FoU, produksjon og bruk av nye modifiserte plast- og polymermaterialer. Kaixin er også forpliktet til å tiltrekke topptalent på tvers av disipliner, kontinuerlig drive produktinnovasjon og merkevareutvikling, med målet om å bli en globalt anerkjent leder innen FoU og produksjon av polymerventiler, rør og fittings.
Hedersbevis
  • honor
  • honor
  • honor
  • honor
  • honor
  • honor
  • honor
  • honor
  • honor
Nyheter